What a joke of a world we live in! LOL!
Your daily dose of natural disasters and amazing phenomena for December 2, 2024...
Do you think it is a coincidence?
LOL! And just when you thought the Hunter saga couldn't get any worse, you find this:
And according to this Tweet, Hunter Biden tried to make his rent payments with paintings he made out of his own poop…
Joe Biden raised an absolute degenerate of a son. Remember - the apple does not fall far from the tree…
What a joke of a world we live in… Welcome to THE banana republic…
Next step, Biden will pardon himself…
The same symbol is found in 3 different countries - Can anyone identify this?
The fact that so many unrelated cultures had stories about a massive flood, humans with wings, and giant lizards is way too much of a coincidence for me…
Btw, Quetzalcoatl (a winged snake for the Aztecs ) is depicted in ancient literature as a man with wings who appeared after the great floods to impart knowledge in engineering and agriculture, he appears at gobekli tepi, gunung padang, easter Island, some ancient sites in Iran, some of the oldest structures ever discovered. I would put my money on this being a depiction of (not necessarily Quetzalcoatl but) this winged, feathered man…
Damn it's real…
If you haven't heard ChatGPT cannot say the name David Mayer. Someone has restricted this name manually, which is very creepy to as why.
Looks like Streisand Effect in action…
So… who is David Meyer?
Have we reached the point in the timeline where we find out the space lazers are real?
I think you all know this movie, do you? Jews in Space from the movie History of the World part 1 by Mel Brooks:
Journalist Marine Vlahovic found dead at her home in Marseille…
She was working on a documentary on the ongoing conflict in Gaza and was preparing to make revelations about the IDF…
Big mystery in Europe, but nothing from the U.K. or the U.S…. Weird, no?
Hopefully her work will come out… But I think it's gone... Best we can hope is she sent copies to some of her people of confidance…
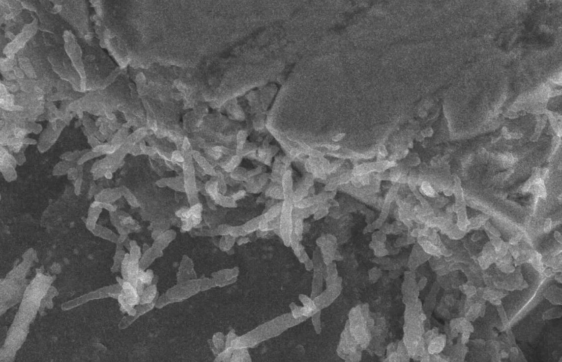
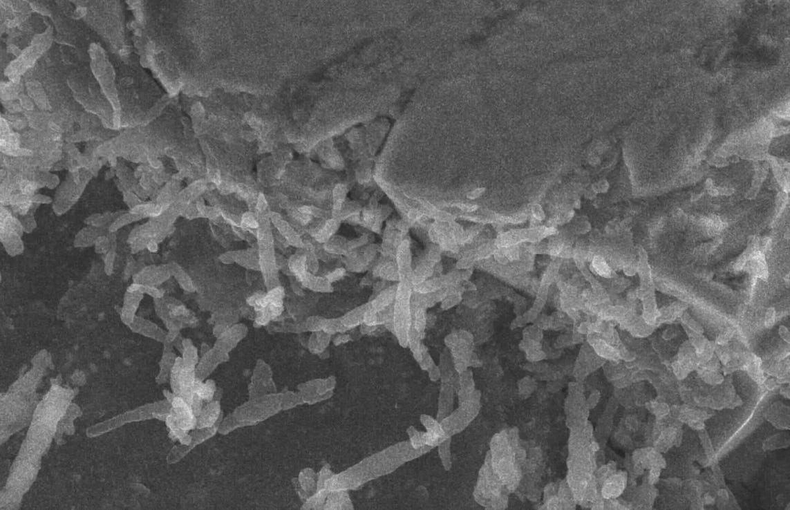
Scientists discover microbial life in the "Hyabusa 2" asteroid sample that was returned to earth…
Microbes were found in the asteroid sample. Scientists thought this may have been proof of panspermia, but decided the microbes must have come from earth without studying them…
So I went and read the original paper and there's a few reasons why they think the microbes are terrestrial:
They don't live long enough to have come from space. It looks like the rock sample had only been contaminated for ~week before it was discovered.
The bacteria look just like some common types here on Earth
And this is the most damning evidence IMO, none of the other samples have reported any contamination or microbial life.
What do you think?
They have us fighting a culture war so we don’t fight a class war…
Warren Buffett said it clearly: ‘There’s class warfare, all right, but it’s my class, the rich class, that’s making war, and we’re winning…’
If you can afford it, pay me a coffee:
Uhhh no shit?
I still love watching it…
2,100-year-old temple from ancient Egypt discovered hidden in cliff face…
The temple is located close to Luxor and was possibly dedicated to the lion-headed goddess Repit…
'It just keeps coming and coming…'
Heavy lake-effect snow dumps over 4 feet on parts of Great Lakes region - nearly 5 feet for Copenhagen, New York…
Are you safe?
Two die as Storm Bora sweeps across Greece…
Flash floods after a foot of rain…
At least 20 killed, 100 missing as landslides after heavy rains bury homes in Uganda…
Well that can't get much more sinister…
Does the giant 'Resurrection' sculpture in the Vatican come across as really damn sinister rather than holy to anyone else? Is it a case of evil things being hidden in plain sight?
I hope you enjoyed today’s newsletter. If you have problems reading it, please follow the instructions here…
Thank you for your support!
Thank you and have a great Monday,
Manuel













"Microbes" are considered "LIFE" on some asteroid, but a "FETUS IN THE WOMB" is just some globular plebe and acceptable of being discarded?
"same symbol is found in 3 different countries" ~ "Naphel bene ha Elohim".
"Fallen Sons of GOD"; These are "Fallen Angel" depictions. "the angels which kept not their first estate, but left their own habitation.."